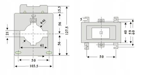
PRZEKŁADNIK PRĄDOWY MSQ-60 1200/5A kl.0.5, 10VA
Cena regularna:
Cena regularna:
towar niedostępny
dodaj do przechowalni
0
Opis

PRZEKŁADNIK PRĄDOWY MSQ-60 1200/5A kl.0.5, 10VA
LIKWIDACJA MAGAZYNU !!!
Dane techniczne:
- Przekładnia prądowa [A]: 1200/5
- Klasa: 0,5
- Moc[V/A]: 10
- Spełniane normy: IEC185, IEC44-1, VDE0414, BS7626, CE, PN-EN 60044-1
5. Montaż: Kabel o40mm, Szyna 60x20mm

